Лестничный таймер Theben ELPA 8 (0080002)
Описание функций
- Лестничные реле, электромеханические
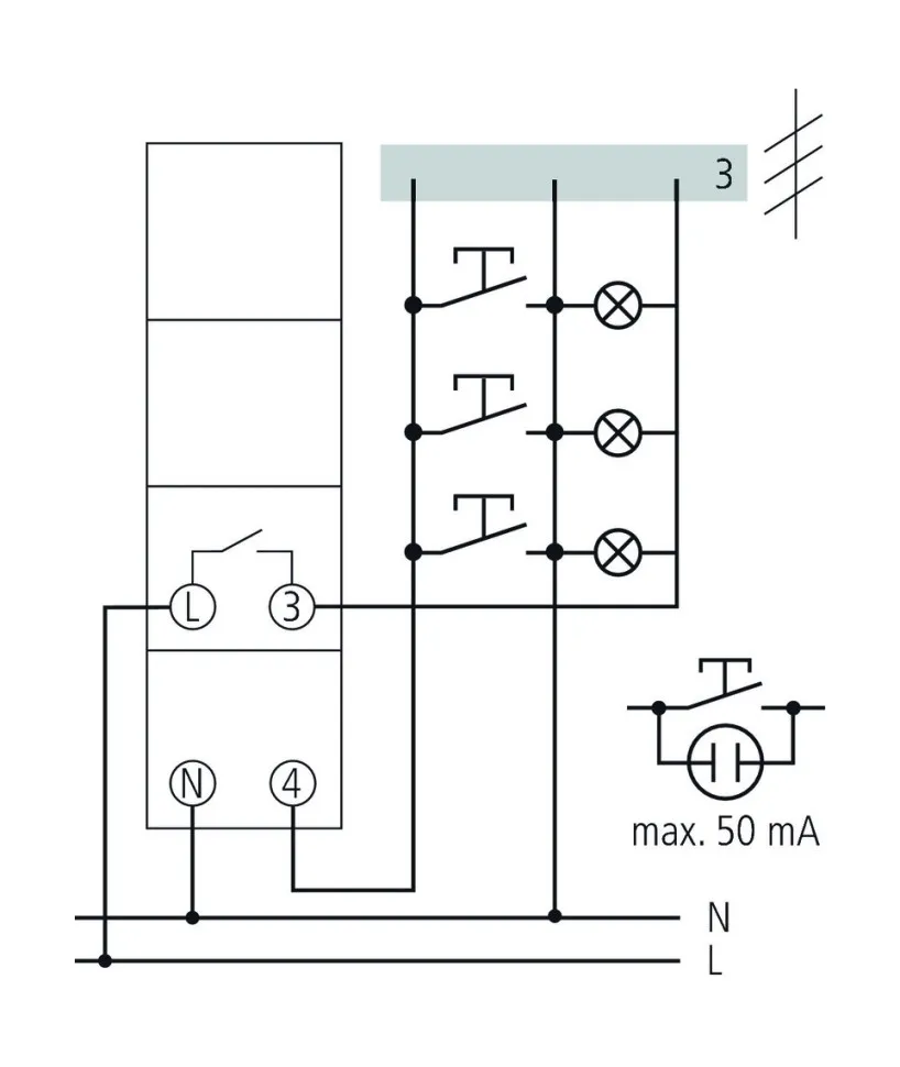
- 4-х проводное подключение для обеспечения поэтажного подключения кнопок
- 3-х проводное подключение (уже не разрешается использовать в современных европейских системах)
- Перезапускаемое
- Не потребляет электроэнергию в режиме ожидания
- Тумблер функции «Постоянно включено» ON
- Часовой механизм - синхронный двигатель
- Простая установка задержки отключения
- Прецизионная механика - высокая точность хода
- Нечувствительно к электромагнитным помехам
Технические характеристики
| Номинальное напряжение | 230 В |
| Частота | 50 Гц |
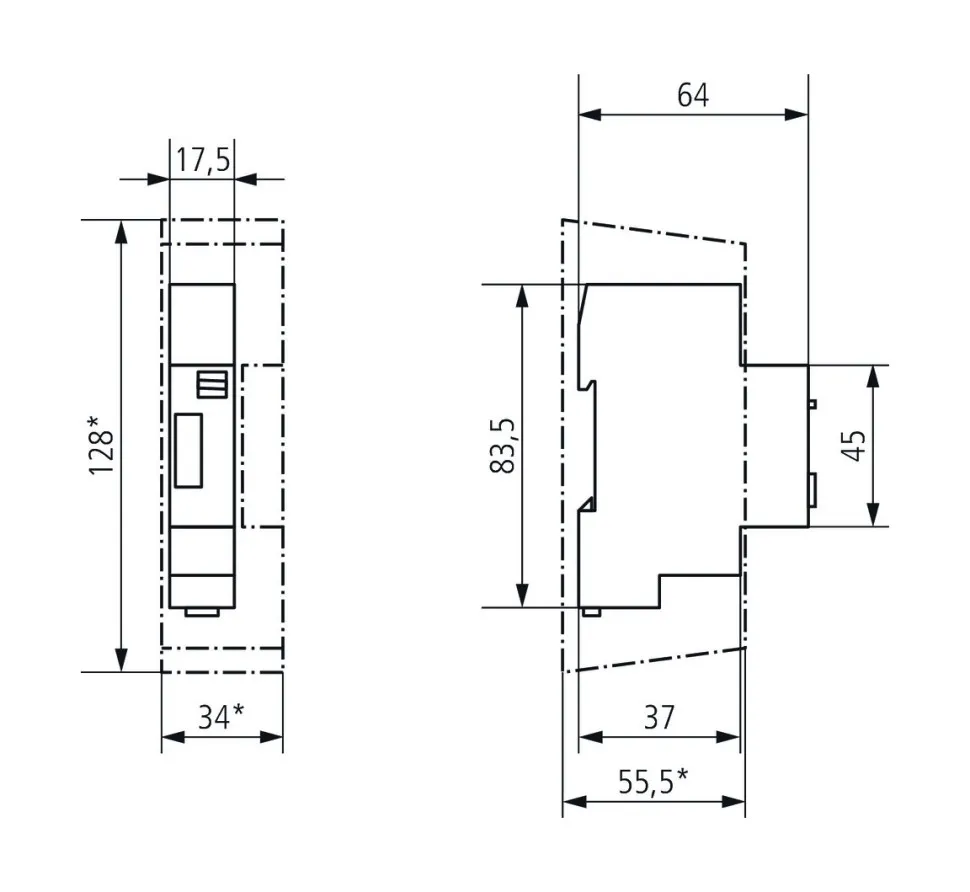
| Ширина | 1 мо́дуль |
| Тип монтажа | DIN рейка |
| Энергопотребление в режиме ожидания | ~0 Вт |
| Потеря мощности максимальная | 0,7 Вт |
| Нагрузка ламп тлеющего разряда | 50 мА |
| Диапазон настройки времени | 1 – 7 мин |
| Тип подключения | 3-/4- проводное |
| 3/4 проводной | Да |
| Вторичная коммутация | Через 30 сек |
| Тип контактов | Нормально разомкнутые контакты |
| Ширина открытия | > 3 мм |
| Релейный выход | Потенциалозависимые (230 В) |
| Лампы накаливания/галогенные | 2300 Вт |
| Нагрузка люминесцентных ламп (обычных) со стабилизирующей схемой (lead-lad) | 2300 ВА |
| Нагрузка люминесцентных ламп (обычных) параллельно компенсированных | 1300 ВА 70 µF |
| Энергосберегающие лампы | 150 Вт |
| Светодиодные лампы < 2 Вт | 30 Вт |
| Светодиодные лампы 2-8 Вт | 300 Вт |
| Светодиодные лампы > 8 Вт | 300 Вт |
| Нагрузка люминесцентных ламп (Электронный балласт) | 600 Вт |
| Нагрузка люминесцентных ламп (обычных) последовательно компенсированных | 2300 ВА |
| Коммутационная способность | 6 AX при 230 В AC, cos φ = 0,3, 16 A при 230 В AC, cos φ = 1 |
| Переключатель для постоянного освещения | Тумблер |
| Предупреждение о выключении | Нет |
| Мультивольтовый вход | Нет |
| Коммутация при нулевом значении тока | Нет |
| Протестировано | VDE |
| Материалы корпуса и изоляции | Термостойкий самозатухающий термопластик |
| Температура окружающей среды | -10°C ... +50°C |
| Класс электрической защиты | II |
| Степень защиты | IP 20 |