Датчик присутствия Steinel IR Quattro HD DALI-2 Application Controller (002756)
Висит на потолке. Видит то, что другие не замечают.
Формат HD доступен не только для телевидения, но и для детекторов присутствия. Потому что "HD" означает чрезвычайно высокое разрешение. 4800 зон переключения и обнаружение квадратов с реальной площадью присутствия 64 м² не оставляют места для неправильного переключения и слепых зон. Уникальность: область присутствия механически масштабируется без малейшей потери качества. Использование IR Quattro HD в средних и больших офисах, конференц-залах, аудиториях и лекционных залах, а также спортивных и складских помещениях может быть точно спланировано. Другие могут только мечтать об этом.
Технические характеристики
|
Европейский Артикул (EAN) |
4007841002756 |
|
Тип |
Детектор присутствия |
|
Размеры (Д х Ш х В) |
120 х 120 х 50 мм |
|
Сетевой источник питания |
230 В / 50 - 60 Гц |
|
Сенсор |
пассивный инфракрасный |
|
Место |
в помещении |
|
Назначение |
классная комната, лекционный зал, офис открытой планировки,
|
|
Установка |
Накладной монтаж |
|
Электронная масштабируемость |
нет |
|
Механическая масштабируемость |
да |
|
Монтажная высота |
2,50 - 10,00 м |
|
Оптимальная высота монтажа |
2,8 м |
|
Угол обнаружения |
360° |
|
Защита от подкрадывания |
да |
|
Возможность маскировки отдельных сегментов |
нет |
|
Покрытие |
8 х 8 м (64 м²) |
|
Установка сумеречного порога посредством режима обучения |
да |
|
Сумеречный порог |
10 - 1000 Лк |
|
Настройки времени |
30 с - 30 мин. |
|
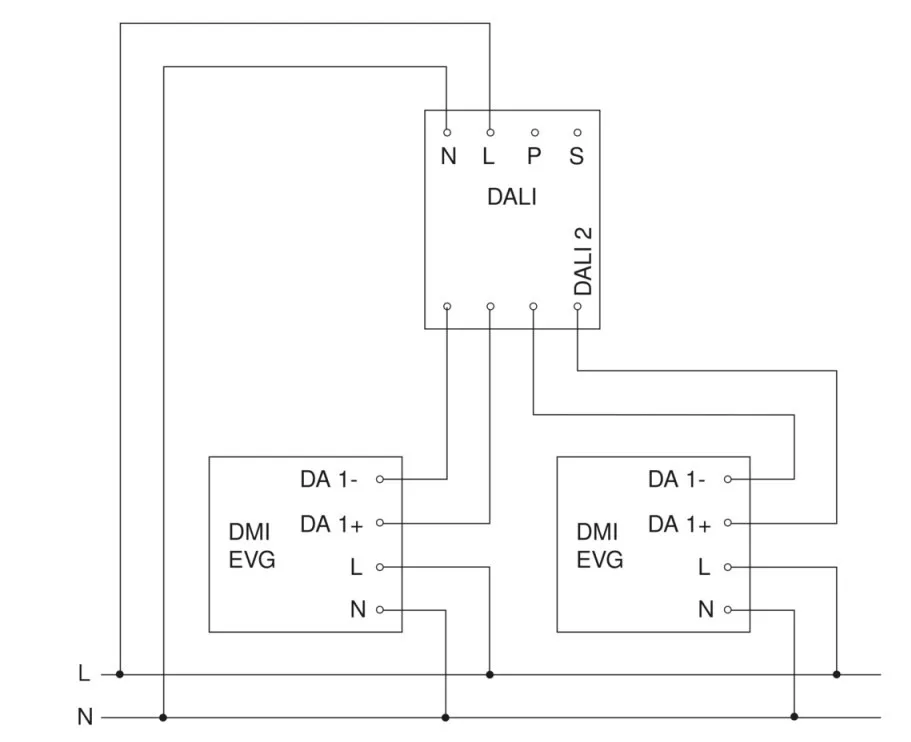
Контрольный выход, DALI |
Трансляция 2х12 электронных балластов |
| Постоянное управление освещением | да |
|
Основная функция уровня света |
да |
| Время основной функции освещения | 1-60 мин, всю ночь |
|
функции |
Нормальный / тестовый режим, полу- / полностью автоматический,
|
|
Настройки через |
Пульт дистанционного управления, DIP-переключатели,
|
|
С дистанционным управлением |
нет |
|
Параллельное включение |
да |
|
IP-рейтинг |
IP20 |
|
Материал |
пластик |
|
Температура окружающей среды |
От -25 до 55° C |
|
Цвет |
белый |
|
Цвет, RAL |
9010 |
|
Гарантия производителя |
5 лет |
|
Версия |
DALI-2 Application Controller |
|
Интерфейс |
DALI-2 Application Controller
|
|
Сенсор |
Пассивный инфракрасный |