Датчик присутствия Steinel Hallway DALI-2 Application Controller UP (058012)
Специалист по длинным коридорам и проходам.
Лучший датчик в коридоре и знает больше. Вектор движения (приход и уход), а также если кто-то находится слева или справа. И это при зоне обнаружения 25 м. Естественно, его радиус действия также можно регулировать в обоих направлениях. Он предоставляет больше информации, чем любой другой датчик в коридоре. Технология Bluetooth гарантирует, что датчик можно легко настроить и подключить к другим датчикам. А утонченный дизайн делает его важным членом семьи True Presence®.
Технические характеристики
|
Европейский номер артикула (EAN) |
4007841058029 |
|
Тип |
Детектор присутствия |
|
Размеры (Д x Ш x В) |
123 х 123 х 62 мм |
|
Электропитание от сети |
220 - 240 В / 50 - 60 Гц |
|
Блок питания, деталь |
Максимум. 64 пользователя |
|
Сенсорная технология |
Высокая частота |
|
Применение |
В помещении |
|
Приложение, комната |
В помещении, коридор / проход |
|
Установка |
Врезной монтаж |
|
ВЧ-система |
5,8 ггц |
|
Электронная масштабируемость |
Да |
|
Механическая масштабируемость |
Нет |
|
Монтажная высота |
2,00 - 4,00 м |
|
Оптимальная высота установки |
2,8 м |
|
Обнаружение |
Также через стекло, дерево и стены из гипсокартона |
|
Угол обнаружения |
360 ° |
|
Угол раскрытия |
140 ° |
|
Защита нижней зоны |
Да |
|
Возможность маскировки отдельных сегментов |
Нет |
|
Радиальный вылет |
25 x 3 м (75 м²) |
|
Вылет по касательной |
25 x 3 м (75 м²) |
|
Сумерки УЧИТЬ |
Да |
|
Настройка сумерек |
2 - 1000 лк |
|
Настройки времени |
30 с - 60 мин. |
|
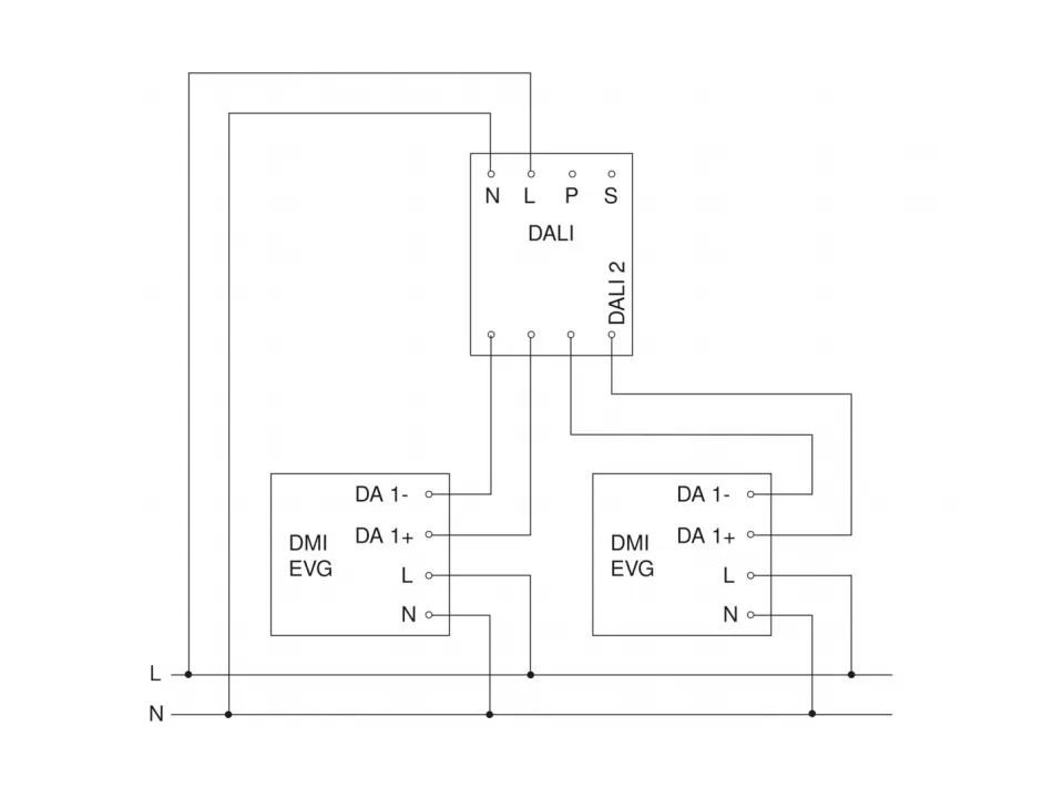
Контрольный выход, Дали |
Адресные / широковещательные 64 электронных балласта |
|
Постоянное управление освещением |
Да |
|
Базовая функция уровня освещенности |
Да |
|
Время работы основного уровня освещенности |
10 мин, весь день, всю ночь |
|
Функции |
Нормальный / тестовый режим,
|
|
Настройки через |
Bluetooth |
|
С дистанционным управлением |
Нет |
|
Взаимосвязь |
Да |
|
IP-рейтинг |
IP20 |
|
Материал |
Пластик |
|
Температура окружающей среды |
-20°С ... +50°С |
|
Цвет |
Белый |
|
Цвет, RAL |
9010 |
|
Гарантия производителя |
5 лет |
|
Версия |
DALI-2 Application Controller - Врезной |
|
Интерфейс |
DALI-2 Application Controller |
|
Сенсорная технология |
Высокая частота |