Датчик движения B.E.G. Indoor 180-S без рамки (92660)
Описание
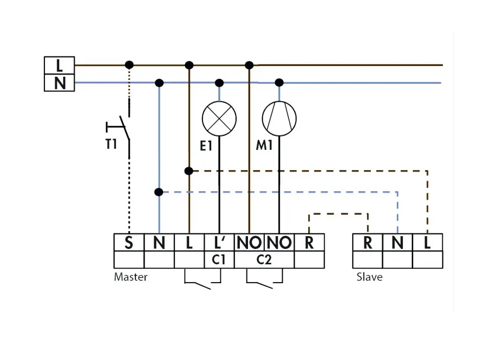
- SLAVE устройство, автоматический настенный выключатель с диапазоном обнаружения 180° для комбинации MASTER и SLAVE устройств
- Возможность комбинирования с рамкой крышки пяти различных цветов
- В сочетании с промежуточной рамкой подходит для всех распространенных выключателей, предназначенных для скрытого монтажа
- Исполнение IP20 и IP54 (исполнение IP54 для влажных помещений, гаражей, лестниц в подвал)
- Существенное сокращение текущих расходов на электроэнергию благодаря данной комбинации MASTER и SLAVE устройств, например в случае использования в коридорах или общественных помещениях
- Обнаружение движений возможно во всех сегментах помещения благодаря SLAVE устройствам
- Передача переключающего импульса на задающее устройство при обнаружении движения
- Распознавание движения независимо от окружающей освещенности
- На SLAVE устройстве отсутствуют элементы настройки
Примеры использования
Контроль общественных туалетов, коридоров, архивов, комнат для совещаний
Технические данные
- Сетевое напряжение 230V
- Энергопотребление около 0,3 Вт
- Диапазон обнаружения 180°
- Дальность действия перпендикулярно макc. 10,00 м
- Дальность действия фронтально макс. 3 м.
- Степень защиты IP20
- Габариты Д 87 x Ш 87 x Г 61 мм
- Температура окружающей среды от -25°C до +50°C
- Корпус из высококачественного и устойчивого к УФ поликарбоната